di persentasikan oleh kelompok 2 dalam perkuliahan Otomasi industri with bapak Gery Setiadi ST,.MT
penggunan system pneumatic dalam dunia industri sudah menjadi barang umum, bahkan hampir semua industri apalagi manufacture mengandal pneumatic untuk mempermudah dalam proses produksinya, oleh karena itu pembahasan tentang pneumatic sangatlah penting untuk dikemukakan agar kita memperoleh informasi tentang system ini. sehingga nantinya akan bermanfaat dikemudia hari..
Istilah pneumatik berasal dari bahasa Yunani, yaitu ‘pneuma’ yang berarti
napas atau udara. Istilah pneumatik selalu berhubungan dengan teknik penggunaan udara bertekanan, baik tekanan di atas 1 atmosfer maupun tekanan di bawah 1 atmosfer (vacum). Pneumatik menggunakan hukum-hukum aeromekanika, yang menentukan keadaan keseimbangan gas dan uap (khususnya udara atmosfir) dengan adanya gaya-gaya luar (aerostatika) dan teori aliran (aerodinamika). Pneumatik dalam pelaksanaan teknik udara mampat dalam industri merupakan ilmu pengetahuan dari semua proses mekanik dimana udara memindahkan suatu gaya atau gerakan. Jadi pneumatik meliputi semua komponen mesin atau peralatan, dalam mana terjadi proses-proses pneumatik. Dalam bidang kejuruan teknik pneumatik dalam pengertian yang lebih sempit lagi adalah teknik udara mampat (udara bertekanan).
Karakteristik Udara
Udara dipermukaan bumi ini terdiri atas campuran dari bermacam-macam gas. Komposisi dari macam-macam gas tersebut adalah sebagai berikut : 78 % vol. gas 21% vol. nitrogen, dan 1 % gas lainnya seperti carbon dioksida, argon, helium, krypton, neon dan xenon. Dalam sistem pneumatik udara difungsikan sebagai media transfer dan sebagai penyimpan tenaga (daya) yaitu dengan cara dikempa atau dimampatkan.Udara termasuk golongan zat fluida karena sifatnya yang selalu mengalir dan bersifat compressible (dapat dikempa).
BAHAN YANG DISA DIDOWNLOAD
– Bahan Ajar system pneumatic dan hidrolic
– system pneumatic dan hidrolik
Sifat-sifat udara senantiasa mengikuti hukum-hukum gas. dapat diidentifikasikan sebagai berikut : a) Udara mengalir dari tekanan tinggi ke tekanan rendah, b) Volume udara tidak tetap. c) Udara dapat dikempa (dipadatkan), d) Berat jenis udara 1,3 kg/m³, e) Udara tidak berwarna
Karateristik udara : 1. Jumlahnya tak terbatas 2. Mencari tekanan yang lebih rendah 3. Dapat dimampatkan 4.Memberi tekanan yang sama rata ke segala arah 5.Tidak mempunyai bentuk (menyesuaikan dengan tempatnya) 6. Mengandung kadar air
penerapan system pneumatic dalam industri
Beberapa bidang aplikasi di industri yang menggunakan media pneumatik dalam hal penangan material adalah sebagai berikut :
a. Pencekaman benda kerja
b. Penggeseran benda kerja
c. Pengaturan posisi benda kerja
d. Pengaturan arah benda kerja
Penerapan pneumatik secara umum :
a. Pengemasan (packaging)
b. Pemakanan (feeding)
c. Pengukuran (metering)
d. Pengaturan buka dan tutup (door or chute control)
e. Pemindahan material (transfer of materials)
f. Pemutaran dan pembalikan benda kerja (turning and inverting of parts)
g. Pemilahan bahan (sorting of parts)
h. Penyusunan benda kerja (stacking of components)
i. Pencetakan benda kerja (stamping and embosing of components)
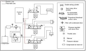
Komponen Utama system pneumatic
- Sistem pembangkitan udara terkompresi yang mencakup kompresor, cooler, dryer, tanki penyimpan unit pengolah udara berupa filter, regulator tekanan, dan lubrifier (pemercik oli) yang lebih dikenal sebagai Air Service Unit
- Katup sebagai pengatur arah, tekanan, dan aliran fluida
- Aktuator yang mengkonversikan energi fluida menjadi energi mekanik
- Sistem perpipaan
- Sensor dan transduser
- Sistem kendali dan displaycara kerja system pneumatic

Cara kerja Pneumatik sama saja dengan hidrolik yang membedakannya hanyalah tenaga penggeraknya. Jika pneumatik menggunakan udara sebagai tenaga penggeraknya, dan sedangkan hidrolik menggunakan cairan oli sebagai tenaga penggeraknya, Udara disedot oleh kompresor dan disimpan pada reservoir air ( tabung udara) hingga mencapai tekanan kira-kira sekitar 6 – 9 bar. Kenapa harus 6 – 9 bar, Karena bila tekanan hanya dibawah 6 bar akan menurunkan daya mekanik dari cylinder kerja pneumatik dan sedangkan bila bertekanan diatas 9 bar akan berbahaya pada sistem perpipaan atau kompresor. Selanjutnya udara bertekanan itu disalurkan ke sirkuit dari pneumatik dengan pertama kali harus melewati air dryer (pengering udara) untuk menghilangkan kandungan air pada udara. Dan dilanjutkan menuju ke katup udara (shut up valve), regulator, selenoid valve dan menuju ke cylinder kerja. gerakan air cylinder ini tergantung dari selenoid. Bila selenoid valve menyalurkan udara bertekanan menuju ke inlet dari air cylinder maka piston akan bergerak maju sedangkan bila selenoid valve menyalurkan udara bertekanan menuju ke outlet dari air cylinder maka piston akan bergerak mundur. Jadi dari selenoid valve inilah penggunaan aplikasi pneumatik bisa juga di kombinasikan dengan elektrik, seperti PLC ataupun rangkaian kontrol listrik lainnya Sehingga mempermudah dalam pengaplikasiannya ,.Dalam sistem kontrol pneumatik, aktuator berupa batang piston mendapat tekanan udara dari katup masuk, yang kemudian memberikan gaya kepadanya. Gaya inilah yang menggerakkan piston pneumatik, baik maju atau mundur.
Kelebihan system Pneumatic
a)Fluida kerja mudah didapat dan ditransfer.
b)Dapat disimpan dengan baik
c)Penurunan tekanan relatif lebih kecil dibandingkan dengan sistem hidrolik.
d)Viskositas fluida yang lebih kecil sehingga
e)Gesekan dapat diabaikan.
f)Aman terhadap kebakaran.
g)Ketersediaan udara yang tak terbatas
h)Fleksibilitas temperatur
i)Pemindahan daya dan Kecepatan
Kekurangan system pneumatic
- Gangguan suara yang bising
- Gaya yang ditransfer terbatas
- Dapat terjadi pengembunan.
- Memerlukan instalasi peralatan penghasil udara
- Mudah terjadi kebocoran,
- Kesulitan untuk pengaturan posisi yang presisi akibat sifat kompresibilitas yang dimiliki udara
- Daya yang dihasilkan kecil
- Membutuhkan investasi awal yang cukup besar untuk sistem pengadaan dan pendistribusian udara.
Aplikasi pneumatic dalam industri
1.Rem
2.Buka dan tutup Pintu (seperti pintu busway)
3.Pelepas dan penarik roda-roda pendaratan pesawat.
4. pengikat part pada jig machining
5. dan lain lain
Perawatan system pnewmatic
Perawatan sistem Pneumatik terdiri dari memperbaiki, mencari gangguan, pembersihan dan pemasangan komponen, dan uji coba pengoperasian.
- Selalu lakukan pencegahan untuk menjaga udara dalam sistem selalu terjaga kebersihannya.
- Setiap memasang komponen Pneumatik harus dijaga kebersihannya dan diproteksi dengan pita penutup atau penutup debu dengan segera setelah pembersihan.
- Pastikan ketika memasang kembali komponen tidak ada partikel metal yang masuk kedalam sistem.
- cegahlah masuknya air, karena dapat menjadi penyebab sistem tidak dapat memberikan tekanan
- Perhatikan Kebocoran bagian dalam komponen, selama kebocoran pada O-Ring atau posisinya, yang mana ketika pemasangan tidak sempurna atau tergores oleh partikel metal atau sudah batas pemakaian.
semoga bermanfaat
baca artikel menarik dan menginspirasi lainnya :
Desamu berpotensi berpenghasilan 100juta rupiah dari panel surya begini caranya baca disini
krisis air bersih, PLTS solusinya, mantap baca disini
Ingin memulai listrik tenaga surya 100Owatt dengan modal 5jutaan untuk menghemat biaya bulanan PLN bisa baca disini artikelnya.
Bingung pilih Ongrid atau offgrid baca selengkapnya disini
lebih Jos mana Antara mono dan poly lebih bagus mana baca disini juga
Perbandingan Antara Pwm vs MPPT siapa yang paling baik baca disini ya
Membuat system hidroponik tenaga surya dengan penghasilan jutaan perbulan bisa baca disini
Membuat alat perangkap hama murah meriah dengan tenaga surya bisa baca disini
Ingin memulai listrik tenaga surya, bingung apa yang perlu disiapkan, dana dan perlengkapnya bisa baca disini
paduan untuk pemula panel surya system ongrid baca disini
SOLAR ENERGY POWER.
Authorized Distributor Panel surya ICA Solar, Maysun Solar, Kenika, Mysolar, JA solar, kabel PV1F, Kabel VW-1 Inverter Puresine, hybrid inverter, Ongrid Inverter, Offgrid inverter, Solar controller Mppt, PWM, Solar home system, Battery VRLA, lifepo4, lithium18650, LTO, Opzv, Mcb DC, YBranch, MC4, Mounting system, Kapasitor, balancer, desulfator, capasitor, SPD, Arester, VPD, Fuse, Box panel, Mc4, lampu DC, lampu PJU, pompa DC sumersible dan lain-lain
ingin punya Peralatan solar panel bergaransi up to 15tahun, inverter bergaransi up-to 5 tahun kunjungi https://www.bukalapak.com/u/temonsujadi kunjungi http://www.tokopedia.com/temonsoejadi
WhatsApp Business : wa.me/6285711256257
Telegram : https://t.me/Temonsujadi
Bukalapak : https://www.bukalapak.com/u/temonsujadi
Shopee : shopee.co.id/temonsujadi
Tokopedia : http://www.tokopedia.com/temonsoejadi
Website ;
https://temonsoejadi.id
https://icasolar.com
Ketik “Solar Energy Power” dimaps
Perum Grand Residence Prapanca 2 BB 9/6 RT 02/14 Cijengkol setu-bekasi
Sekian pembahasan kali ini, kita akan bahas hal-hal menarik lainnya mengenai renewable energy
semoga bermanfaat semoga sehat selalu.
temonsoejadi
Pegiat Renewable energy



























Nov 13, 2014 @ 13:01:28
nice share gan
SukaSuka
Nov 13, 2014 @ 13:12:15
terima kasih, semoga bermanfaat
SukaSuka